koempf24_de Logo
Unsere Seite verwendet Cookies und ähnliche Technologien, um die Benutzererfahrung auf unserer Website zu verbessern, Inhalte und Anzeigen zu personalisieren und die Nutzung unserer Website zu analysieren. Mit Ihrer Einwilligung stimmen Sie der Verwendung von Cookies sowie der Verarbeitung Ihrer persönlichen Daten zu, um Ihnen ein bestmögliches Surferlebnis und mehr Funktionen zu bieten.

Sie können Ihre Einwilligung jederzeit in den Cookie-Einstellungen anpassen oder widerrufen.
Experten-Beratung Lassen Sie sich von unseren Experten über das Kontaktformular beraten.
Artikelnummer: 627621
Hier finden Sie bereits beantwortete Fragen zu diesem Produkt oder können Ihre eigene Frage stellen.
Zu den Produktfragen
Hier können Sie unsere qualifizierten Fachberater zur Planung Ihrer Bestellung kontaktieren.
Zum Kontaktformular
Hier erhalten Sie allgemeine Informationen zum Bestellprozess, der Lieferung, der Zahlung und mehr.
Zum FAQ
Hier können Sie Feedback zu dieser Seite abgeben oder unerwartete Inhalte und Auffälligkeiten melden.

Husqvarna Rider R 316TsX AWD

authorized.by
authorized.by
authorized.by Markenbild
TÜV Saarland ShopIdent
Zuletzt autorisiert: 28.02.2026

KÖMPF24 garantiert ausdrücklich die Originalität dieses Produktes.

KÖMPF24 ist durch diese Marke speziell für den Onlinevertrieb dieses Produktes autorisiert und ist vertrauenswürdiger Partner der Marke

Die Unternehmensangaben zur Identität des Shopanbieters KÖMPF24  wurden im Rahmen des TÜV Saarland ShopIdent Verfahrens zuletzt am 08.02.2022 überprüft.

Husqvarna Rider R 316TsX AWD

Der kompakte, enorm leistungsstarke und flexible Rider verfügt über Allradantrieb und eignet sich ideal für den ganzjährigen Einsatz. Ausgestattet ist der Rider mit einem kraftvollen V-Twin Motor, Servolenkung, einem intuitiven Display, einem modernen Funktionslicht mit doppelten LED Scheinwerfern und einem höhenverstellbaren Softgrip-Lenkrad mit Lenkradknauf.

Leistung: 9,8 kW bei 3100 U/min, Hydrostatisch AWD, Schnittbreite: 94-112 cm

Wichtig: Der Rider wird ohne Mähdeck ausgeliefert.

  • Digitales HMI-Display
  • Minimaler Wendekreis
  • Verstellbares Lenkrad
  • Modernes Funktionslicht für bessere Sicht
7.799,00 €
inkl. 19% MwSt.
Kostenfreier Versand in DE
Aktuell nicht lieferbar

Wir informieren Sie sofort per Mail, sobald der Artikel wieder an unserem Lager eingetroffen ist. Einfach Ihre E-Mail-Adresse angeben und schon gehören Sie zu den Ersten, die diesen Artikel bestellen können.

Andere Produkte der Kategorie Aufsitzrasenmäher
Artikel-Nr.: 627621
  • Deutschlands bester Händler
  • Trusted Shops Käuferschutz
  • Rechnungskauf
  • Montageservice

Husqvarna Rider R 316TsX AWD

Husqvarna Rider R 316TXs AWD ohne Mähdeck

Der kompakte, enorm leistungsstarke und flexible Rider verfügt über Allradantrieb und eignet sich ideal für den ganzjährigen Einsatz. Ausgestattet ist der Rider mit einem kraftvollen V-Twin Motor, Servolenkung, einem intuitiven Display, einem modernen Funktionslicht mit doppelten LED Scheinwerfern und einem höhenverstellbaren Softgrip-Lenkrad mit Lenkradknauf. Dank der integrierten Bluetooth-Konnektivität kann der Rider direkt mit der intelligenten Husqvarna Connect App verbunden werden. Die optional verfügbaren 94, 103 oder 112 cm breiten Combi-Mähdecks bieten eine erstklassige BioClip® (Mulchen) und Heckauswurf-Funktion.Exklusive Mähdeck. Passende Mähdecks: Combi 94 (94 cm Schnittbreite), Combi 103 (103 cm Schnittbreite) oder Combi 112 (112 cm Schnittbreite).

 
  • Digitales HMI-Display
    Das intuitive Display erleichtert durch visuelle Symbole und Warntöne die Bedienung des Riders und liefert Echtzeitdaten und Warnmeldungen.
  • Verstellbares Lenkrad
    Für bessere Ergonomie und gesteigerten Komfort lässt sich das Lenkrad in der Höhe verstellen.
  • Frontmontiertes Mähdeck
    Das frontmontierte Mähdeck ermöglicht es Ihnen, problemlos in der Nähe von Kanten, in Ecken und unter Sträuchern sowie unter Parkbänken etc. zu mähen.
  • Modernes Funktionslicht für bessere Sicht
    Das moderne Funktionslicht mit doppelten LED-Scheinwerfern sorgt für eine große beleuchtete Fläche und den sicheren Betrieb bei dunkleren Witterungsverhältnissen. Das Abblendlicht leuchtet einen 180° Bereich aus und das Fernlicht sorgt für bessere Sichtverhältnisse in der Ferne.
  • Allradantrieb (AWD)
    Allradantrieb (AWD) sorgt für gute Traktion beim Fahren an unebenen, nassen und rutschigen Stellen mit und ohne Gefälle. Der Allradantrieb reguliert in Abhängigkeit von der Bodenbeschaffenheit automatisch die Traktion an allen Rädern.
  • Lenkrad mit Knauf
    Lenkrad mit komfortablen und definierten Griffbereichen mit Soft-Touch-Oberfläche und einem Knauf für eine einfachere Bedienung.
  • Bequeme Sitzposition
    Mit einem Rider erhalten Sie Sicherheit, Stabilität und Traktion sowohl auf ebenen Flächen als auch im hügeligen Gelände. Der niedrige Schwerpunkt des Riders führt zu einer besonders guten Bodenhaftung sowie einem angenehmen Gefühl für den Fahrer, nicht auf, sondern in der Maschine zu sitzen.
  • Servolenkung
    Dank der Servolenkung ist das Lenken weniger anstrengend und dadurch angenehmer.
  • Aussenliegender Tankdeckel
    Dank des aussenliegenden Tankdeckels muss die Motorhaube beim Betanken nicht mehr geöffnet werden. Die extra breite Tanköffnung erleichtert das Auftanken zusätzlich.
  • Leicht zugängliche Bedienelemente
    Alle Bedienelemente sind leicht zugänglich und ermöglichen so komfortables Arbeiten.
  • Leicht zugänglicher Hebel zur Schnitthöheneinstellung
    Der Hebel zur Schnitthöheneinstellung ist einfach vom Fahrersitz zu erreichen. Dies ermöglicht es Ihnen, die Schnitthöhe während des Mähens zu verändern.
  • BioClip®
    BioClip® (Mulchen) bietet mit das beste Mähergebnis auf häufig gemähten Flächen. Das Gras wird ganz klein geschnitten und dem Rasen wieder als natürlichen Dünger zugeführt.
  • Vier große Räder
    Große Räder vorne und hinten bieten optimalen Fahrkomfort und gute Zugänglichkeit. Die Rasenfläche wird so kaum strapaziert.
  • Hinten platzierter Motor
    Der hinten platzierte Motor und das frontmonierte Mähdeck sorgen für einen ausgezeichneten Überblick über den Arbeitsbereich sowie für geringere Geräusche und Emissionen im Fahrerbereich.
  • Schwebendes Mähdeck
    Dank der schwebenden Aufhängung des Mähdecks passt sich dieses an die Rasenkonturen an, anstatt diese zu übermähen.
  • Schwenkbare Führungsräder
    Das Mähdeck ist mit schwenkbaren Führungsrädern ausgestattet, die einen besonders ruhigen Betrieb bei Richtungswechseln ermöglichen. Die Räder reduzieren außerdem das Risiko, den Rasen zu beschädigen.
  • Pendelnde Hinterachse
    Die pendelnde Hinterachse sorgt für maximale Traktion der Antriebsräder und ermöglicht komfortableres Fahren auf unebenen Flächen.
  • Stauraum
    Der offene Stauraum auf der linken Seite ist auch während des Mähens leicht zu erreichen.
  • Flaschenhalter
    Praktischer Flaschenhalter für Getränke.

 

Motor 
MotorherstellerKawasaki
MotorFS Series V-Twin
MotorFS481V
Nettoleistung bei U/min9,8 kW @ 3100 U/min
Hubraum603 ccm
Zylinder2
MotorkühlungLuft
Generator15 A
Batterie12 V 24 Ah
KraftstoffsorteBenzin
Tankvolumen12 l
MotorschmierungDruckschmierung
ÖltypSAE10-W30
Ölmenge1,7 l
ÖlfilterJa
 
Antriebssystem 
GetriebeHydrostatisch AWD
GetriebeherstellerKanzaki
GetriebebezeichnungK574
AntriebPedalgesteuert
Geschwindigkeit, min-max0-9,5 km/h
Rückwärtsgeschwindigkeit, min-max0-9,5 km/h
Sicherheitsgrenze Schräge10 °
 
Mähdeck 
Ungemähte innere Kreisfläche130 cm
Schnittbreite, min-max94-112 cm
Passende Mähwerke (optional)Combi 94, Combi 103, Combi 112
MähwerkstypCombi
MaterialStahl
MähmethodenBioClip® / Heckauswurf
Schnitthöhe, min-max25 - 75 mm
Schnitthöhe, Stufen9 St
MesserzuschaltungAutomatisch
Messer3
Pulverbeschichtetes MähdeckJa
 
Ausrüstung 
BetriebsstundenzählerDigital mit vorprogrammierten Serviceintervallen
 
Sonstiges 
Sitz MaterialVinyl
SitzfederungJa
Sitz RückenlehnenhöheHoch
Klappbarer SitzJa
 
Gesamtabmessungen 
Reifengröße, vorn165/60-8
Reifengröße, hinten165/60-8
Radstand88,7 cm
Bodenfreiheit85 mm
Grundgerät, Länge202 cm
Grundgerät, Breite89 cm
Grundgerät, Höhe115 cm
Gewicht248 kg
 
Geräusch- und Lärm-Emissionen 
Schalldruckpegel am Ohr der Bedienperson84 dB(A)
Geräuschemissionsmess.98 dB(A)
Garantierter Schallleistungspegel, LWA99 dB(A)
 
Vibrationen 
Vibrationen, Lenkrad2,5 m/s²
Vibrationen, Sitz0,7 m/s²
 
Garantie 
Garantie2 Jahre

 

Im Lieferumfang enthalten:

  • Husqvarna Rider R 316TsX AWD

Husqvarna Logo

Husqvarna

Der schwedische Hersteller Husqvarna bietet Ihnen Motorgeräte für die Forst-, Garten- sowie Landschaftspflege. Bereits 1689 begann die Unternehmensgeschichte, damals noch mit der Herstellung von Musketen. Somit profitiert das Unternehmen von mehr als 325 Jahre langer Erfahrung – und somit auch seine Kunden.

Die Zufriedenheit der Kunden ist dem international bekannten Unternehmen besonders wichtig. Daher arbeitet Husqvarna eng mit dem Anwender zusammen, auch nach dem Kauf steht das Unternehmen seinen Käufern mit Rat und Tat zur Seite. Sie können sich bei den Husqvarna Produkten daher auf eine kompromisslose Qualität, Benutzerfreundlichkeit sowie Spitzenleistung verlassen.
 

Garantie

Als unser Kunde genießen Sie auch nach dem Kauf Ihres Husqvarna-Produkts zahlreiche Vorteile! Im Garantiefall sind wir Ihr erster Ansprechpartner und werden Ihnen gerne weiterhelfen. Wir verfügen über eine eigene Hersteller-Werkstatt, sind qualifiziert und berechtigt, im Garantiefall alle nötigen Reparaturen an Ihrem Husqvarna-Gerät durchzuführen.

Das bedeutet für Sie: Sie können sich jederzeit an uns wenden, als Ihr Händler bei dem Sie die Ware gekauft haben sind wir stets die erste Adresse. Selbstverständlich steht es Ihnen jedoch frei, sich an jeden anderen autorisierten Husqvarna-Händler zu wenden.

Gegen Vorlegen Ihres Kaufbeleges (inklusive ausgefüllter Garantiekarte) aus unserem Shop können Sie wohnortnah - in ganz Europa, in der Schweiz und in Großbritannien - Ihr registriertes Produkt zur Garantieüberprüfung vorlegen. Der lokale Husqvarna Servicehändler wird im Garantiefall defekte Teile ausschließlich durch original Husqvarna-Ersatzteile und Zubehör ersetzen. 

 

Husqvarna Händler mit Onlineshop 

Ausschließlich autorisierte, qualifizierte Händler dürfen Husqvarna Produkte verkaufen. So erhalten Sie als Kunde fachgerechte Auskunft zu Ihren Fragen. Wir sind ein autorisierter Husqvarna Fachhändler mit eigener Werkstatt. Vor jeder Auslieferung werden die Geräte entsprechend der Herstellervorgaben geprüft.

 

Stationärer Handel:
Kömpf Baumarkt GmbH
Leibnizstr. 2
75365 Calw

 

Husqvarna Geräte

Husqvarna AB
Regeringsgatan 28
11153 Stockholm
Schweden
verkauf@husqvarna.de
Verantwortliche Person:
Husqvarna Deutschland GmbH
Hans-Lorenser-Strasse 40
89079 Ulm
Deutschland
verkauf@husqvarna.de

Husqvarna Kombimähdeck für RiderZubehörbild
Husqvarna Kombimähdeck für Rider
  • Zwei Mähmethoden wählbar
  • Anpassung an Rasenkonturen
  • Erleichterte Reinigung
1.024,82 € inkl. 19% MwSt.
Husqvarna Batterie-Ladegerät BC 0,8Zubehörbild
Husqvarna Batterie-Ladegerät BC 0,8
Vollautomatisches Ladegerät für 12V Blei-Säure-Batterien von 1,2-32 Ah. Das Akkuladegerät kann als Erhaltungsladegerät bis 100 Ah eingesetzt werden.Perfekt für saisonal verwendete Maschinen.
62,37 € inkl. 19% MwSt.
Husqvarna Abdeckplane für RiderZubehörbild
Husqvarna Abdeckplane für Rider
Die Husqvarna Abdeckplane für Rider wird aus wasserbeständigem Nylon hergestellt. Sie hat ein verstellbares Zugband am unteren Teil und Belüftungsöffnungen. Die Abdeckplane ist für folgende Rider geeignet:- Rider R 112C5- Rider R 112C- Rider R 115C
105,85 € inkl. 19% MwSt.

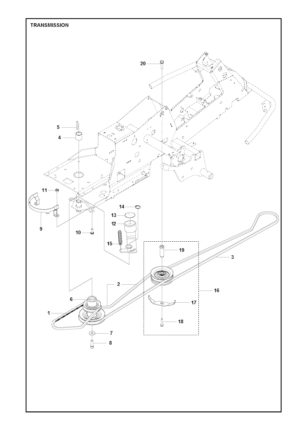
359 von insgesamt 359 eingezeichneten Ersatzteilen in Explosionszeichnung Nr. 1

1
Husqvarna 582 24 46-01 - HALTER
1x
403,46 €
1
Husqvarna 590 71 69-01 - GETRIEBE
1x
1.149,34 €
1
Husqvarna 590 71 69-01 - GETRIEBE
1x
1.149,34 €
1
Husqvarna 578 29 50-03 - HYDRAULIKSCHLAUCH
1x
59,04 €
1
Husqvarna 575 48 43-01 - GETRIEBE
1x
1.159,99 €
1
Husqvarna 589 53 12-01 - RIEMEN
1x
30,70 €
1
Husqvarna 577 65 93-01 - Spindel
1x
186,00 €
1
Husqvarna 506 89 98-01 - MUTTER
3x
4,90 €
1
Husqvarna 577 61 47-04 - Motorhaube kpl.
1x
189,66 €
1
Husqvarna 544 40 05-01 - SCHRAUBE
4x
2,14 €
1
Husqvarna 523 06 42-03 - Geräterahmen
1x
239,51 €
2
Husqvarna 506 91 62-01 - MUTTER
4x
5,26 €
2
Husqvarna 506 98 61-02 - GLIDLAGER
2x
12,33 €
2
Husqvarna 725 24 67-51 - SCHRAUBE
5x
4,83 €
2
Husqvarna 725 24 67-51 - SCHRAUBE
1x
4,83 €
2
Husqvarna 544 45 64-03 - HYDRAULIKSCHLAUCH
2x
57,82 €
2
Husqvarna 506 98 65-01 - FEDERSCHEIBE
1x
4,77 €
2
Husqvarna 599 67 59-02 - Riemen
1x
46,15 €
2
Husqvarna 738 21 05-04 - KUGELLAGER
1x
7,98 €
2
Husqvarna 586 72 74-01 - Knopf
1x
10,86 €
2
Husqvarna 588 92 69-01 - LAGER L1=29,5
1x
5,37 €
2
Husqvarna 506 57 01-03 - SCHRAUBE
2x
3,34 €
2
Husqvarna 535 47 52-12 - SCHRAUBE
4x
2,44 €
2
Husqvarna 578 05 38-01 - Halter
1x
33,02 €
2
Husqvarna 544 44 07-01 - NIETE
4x
2,26 €
2
Husqvarna 578 36 20-01 - Isolierung
1x
73,66 €
2
Husqvarna 510 22 25-01 - Riemenabdeckung
1x
17,36 €
2
Husqvarna 501 13 15-01 - Sitzhalterung kpl.
1x
50,46 €
2
Husqvarna 525 47 59-01 - HAKEN
1x
16,87 €
3
Husqvarna 544 26 21-01 - HALTER
1x
10,56 €
3
Husqvarna 734 11 64-01 - SCHEIBE
4x
4,90 €
3
Husqvarna 506 98 66-01 - ABSTAND
2x
8,56 €
3
Husqvarna 725 24 64-51 - SCHRAUBE
1x
4,61 €
3
Husqvarna 594 97 80-01 - Riemen
1x
66,90 €
3
Husqvarna 738 21 10-04 - KUGELLAGER
1x
7,98 €
3
Husqvarna 506 57 01-04 - SCHRAUBE
4x
3,81 €
3
Husqvarna 525 40 66-01 - KOLBEN
1x
8,82 €
3
Husqvarna 506 57 01-03 - SCHRAUBE
2x
3,34 €
3
Husqvarna 577 99 99-01 - Höheneinstellung
1x
37,75 €
3
Husqvarna 578 02 34-01 - Throttle Control
1x
23,25 €
3
Husqvarna 506 59 74-01 - SCHRAUBE
2x
4,83 €
3
Husqvarna 578 26 15-01 - KABEL
1x
8,18 €
3
Husqvarna 578 36 21-01 - Isolierung
1x
64,87 €
3
Husqvarna 577 72 93-01 - Fußplatte
1x
59,18 €
3
Husqvarna 510 22 25-02 - Riemenabdeckung
1x
15,80 €
3
Husqvarna 535 46 00-01 - Reifen
1x
57,44 €
3
Husqvarna 544 21 14-01 - AUFKLEBER
2x
2,98 €
4
Husqvarna 506 88 99-01 - HAKEN
1x
15,05 €
4
Husqvarna 731 23 18-01 - SECHSKANTMUTTER
5x
2,40 €
4
Husqvarna 734 11 64-41 - SCHEIBE
1x
2,57 €
4
Husqvarna 544 01 00-01 - DICHTUNG
1x
4,53 €
4
Husqvarna 502 45 19-01 - RIEMENSCHEIBE
1x
51,16 €
4
Husqvarna 535 42 38-03 - SCHRAUBE
1x
4,52 €
4
Husqvarna 506 50 92-01 - ABSTANDSHÜLSE
1x
8,93 €
4
Husqvarna 735 31 40-10 - SICHERUNGSRING
1x
3,92 €
4
Husqvarna 544 40 31-01 - BREMSHEBEL KPL.
1x
13,77 €
4
Husqvarna 588 92 71-01 - Amboss
1x
3,92 €
4
Husqvarna 588 16 41-01 - Einstellhebel grau
1x
10,98 €
4
Husqvarna 544 30 17-06 - KABEL
2x
23,45 €
4
Husqvarna 725 54 47-01 - SCHRAUBE
1x
4,90 €
4
Husqvarna 504 80 00-10 - Kraftstoffschlauch
1x
14,40 €
4
Husqvarna 535 42 91-01 - FEDERMUTTER
4x
4,90 €
4
Husqvarna 577 72 94-01 - Fußplatte
1x
53,03 €
4
Husqvarna 510 22 27-01 - Riemenabdeckung
1x
16,76 €
4
Husqvarna 506 91 53-01 - DRUCKFEDER
1x
19,73 €
4
Husqvarna 579 09 15-01 - Aufkleber
2x
2,71 €
5
Husqvarna 725 24 93-71 - SCHRAUBE
2x
4,94 €
5
Husqvarna 734 11 64-01 - SCHEIBE
3x
4,90 €
5
Husqvarna 725 24 62-51 - SCHRAUBE
1x
4,44 €
5
Husqvarna 732 21 18-01 - LOCK NUT
6x
1,88 €
5
Husqvarna 544 01 00-03 - DICHTUNG
2x
11,32 €
5
Husqvarna 725 23 68-61 - SCHRAUBE
1x
1,94 €
5
Husqvarna 506 98 68-01 - LÜFTER
1x
42,03 €
5
Husqvarna 506 55 59-01 - KEIL
1x
4,19 €
5
Husqvarna 506 98 59-01 - ACHSE
1x
48,92 €
5
Husqvarna 734 11 74-41 - SCHEIBE
1x
3,56 €
5
Husqvarna 721 61 83-01 - SPANNHÜLSE
4x
0,51 €
5
Husqvarna 584 87 13-02 - LAGER
2x
4,43 €
5
Husqvarna 506 88 91-01 - KNOPF
1x
4,76 €
5
Husqvarna 506 59 74-01 - SCHRAUBE
2x
4,83 €
5
Husqvarna 584 24 87-02 - FUEL CAP
1x
27,81 €
5
Husqvarna 544 40 05-01 - SCHRAUBE
6x
2,14 €
5
Husqvarna 577 72 95-01 - Fender
1x
69,60 €
5
Husqvarna 510 22 27-02 - Riemenabdeckung
1x
16,76 €
5
Husqvarna 506 50 48-03 - Scheibe B
2x
3,13 €
5
Husqvarna 582 57 00-01 - Aufkleber
1x
5,69 €
6
Husqvarna 725 24 93-71 - SCHRAUBE
1x
4,94 €
6
Husqvarna 506 59 93-01 - GELENK
1x
3,77 €
6
Husqvarna 732 21 18-01 - LOCK NUT
3x
1,88 €
6
Husqvarna 725 23 64-61 - SCHRAUBE
1x
1,70 €
6
Husqvarna 544 02 05-01 - ROHRKUPPLUNG
1x
17,08 €
6
Husqvarna 735 31 15-00 - SICHERUNGSRING
1x
4,90 €
6
Husqvarna 535 48 24-01 - RIEMENSCHEIBE
1x
101,32 €
6
Husqvarna 506 77 34-01 - SCHEIBE
2x
2,78 €
6
Husqvarna 506 94 63-01 - BREMSFEDER
1x
7,81 €
6
Husqvarna 588 92 70-01 - HUBARM
1x
7,62 €
6
Husqvarna 506 90 82-01 - HEIGHT ROD
1x
10,72 €
6
Husqvarna 506 88 91-02 - KNOPF
1x
5,26 €
6
Husqvarna 578 11 88-01 - Zwischenstück
1x
61,93 €
6
Husqvarna 579 31 74-01 - Spannband
1x
0,77 €
6
Husqvarna 577 90 33-01 - Stopfen
2x
11,82 €
6
Husqvarna 577 72 96-01 - Fender
1x
65,19 €
6
Husqvarna 535 42 58-02 - SCHRAUBE MK6 S 6X20
4x
1,70 €
6
Husqvarna 506 94 58-01 - SCHEIBE
1x
6,62 €
6
Husqvarna 574 44 32-01 - AUFKLEBER
1x
4,07 €
7
Husqvarna 725 24 93-71 - SCHRAUBE
1x
4,94 €
7
Husqvarna 731 23 18-01 - SECHSKANTMUTTER
1x
2,40 €
7
Husqvarna 579 59 68-01 - Hebel
1x
12,84 €
7
Husqvarna 544 02 66-07 - SCHLAUCHSCHUTZ
1x
16,64 €
7
Husqvarna 502 45 16-01 - ROHR
1x
19,67 €
7
Husqvarna 544 00 89-02 - LAGER
1x
70,54 €
7
Husqvarna 506 59 75-01 - SCHEIBE
1x
7,13 €
7
Husqvarna 740 68 14-21 - V-RING
1x
4,00 €
7
Husqvarna 576 71 21-01 - BREMSLEITUNG
1x
45,87 €
7
Husqvarna 725 24 97-51 - SCHRAUBE
1x
4,69 €
7
Husqvarna 544 41 57-01 - HALTER
1x
5,26 €
7
Husqvarna 535 42 91-01 - FEDERMUTTER
4x
4,90 €
7
Husqvarna 578 26 13-04 - Deckel
1x
44,32 €
7
Husqvarna 510 22 23-03 - Riemenabdeckung
1x
30,04 €
7
Husqvarna 587 29 04-01 - SITZVERSTELLUNG
1x
37,20 €
7
Husqvarna 506 59 62-03 - Abstandshülse B
2x
9,91 €
7
Husqvarna 523 11 66-02 - HEBEL
1x
13,44 €
7
Husqvarna 581 78 40-06 - Aufkleber
1x
8,01 €
8
Husqvarna 584 28 86-04 - SCHEIBE
2x
2,27 €
8
Husqvarna 505 13 11-02 - SCHLAUCHSCHELLE
2x
6,38 €
8
Husqvarna 574 53 12-01 - SCHLAUCHSCHELLE
1x
13,15 €
8
Husqvarna 544 00 90-02 - LAGERGEHÄUSE
2x
22,41 €
8
Husqvarna 732 21 16-01 - LOCK NUT
1x
1,19 €
8
Husqvarna 506 55 60-02 - SCREW UNC
1x
5,69 €
8
Husqvarna 735 31 26-00 - SICHERUNGSRING
3x
0,57 €
8
Husqvarna 735 31 09-20 - FEDERRING
1x
0,52 €
8
Husqvarna 734 11 72-01 - Scheibe 3/8
1x
1,86 €
8
Husqvarna 574 31 61-01 - SCHALTER
2x
15,24 €
8
Husqvarna 544 40 05-01 - SCHRAUBE
14x
2,14 €
8
Husqvarna 588 46 28-03 - Schnappverschluss
1x
3,96 €
8
Husqvarna 577 06 20-01 - Aufkleber
2x
12,91 €
8
Husqvarna 510 22 24-01 - Riemenabdeckung
1x
23,94 €
8
Husqvarna 544 13 26-01 - HÜLSE
1x
32,36 €
8
Husqvarna 506 91 87-01 - SCHEIBE
1x
4,88 €
9
Husqvarna 725 24 51-71 - SCHRAUBE
2x
3,38 €
9
Husqvarna 732 21 18-01 - LOCK NUT
4x
1,88 €
9
Husqvarna 725 23 68-61 - SCHRAUBE
1x
1,94 €
9
Husqvarna 506 57 01-05 - SCHRAUBE
2x
4,90 €
9
Husqvarna 587 42 52-01 - Riemenführung
1x
17,87 €
9
Husqvarna 588 92 74-01 - Stange
1x
9,81 €
9
Husqvarna 506 78 46-01 - KOLBEN
1x
2,53 €
9
Husqvarna 577 81 36-01 - Schalldämpfer
1x
411,54 €
9
Husqvarna 535 46 97-01 - HOSE BRACE
2x
4,90 €
9
Husqvarna 578 11 37-01 - Scharnier
1x
5,91 €
9
Husqvarna 577 73 75-01 - Deckel
1x
32,40 €
9
Husqvarna 576 97 34-01 - Folie
1x
7,20 €
9
Husqvarna 522 55 73-01 - Schraube
3x
1,94 €
9
Husqvarna 544 13 26-02 - HÜLSE
1x
38,34 €
9
Husqvarna 725 64 48-01 - SCHRAUBE
1x
1,88 €
10
Husqvarna 725 24 93-71 - SCHRAUBE
2x
4,94 €
10
Husqvarna 734 11 64-01 - SCHEIBE
2x
4,90 €
10
Husqvarna 506 98 75-01 - GESTÄNGE
1x
10,88 €
10
Husqvarna 732 21 18-01 - LOCK NUT
1x
1,88 €
10
Husqvarna 725 23 64-61 - SCHRAUBE
2x
1,70 €
10
Husqvarna 725 23 68-61 - SCHRAUBE
1x
1,94 €
10
Husqvarna 535 40 28-32 - STOPFEN
1x
13,55 €
10
Husqvarna 574 41 12-02 - REGULIERUNG
1x
73,27 €
10
Husqvarna 588 92 73-01 - Amboss
1x
7,13 €
10
Husqvarna 544 44 12-01 - FEDER
1x
3,46 €
10
Husqvarna 578 11 37-02 - Scharnier
1x
5,91 €
10
Husqvarna 577 76 45-01 - Sicherungsmutter
1x
7,98 €
10
Husqvarna 516 01 88-01 - Riemenabdeckung
1x
27,62 €
10
Husqvarna 506 50 48-05 - Scheibe A
4x
2,37 €
10
Husqvarna 506 53 56-03 - ZUGFEDER
1x
4,53 €
11
Husqvarna 732 21 14-01 - LOCK NUT
2x
4,90 €
11
Husqvarna 732 21 18-01 - LOCK NUT
2x
1,88 €
11
Husqvarna 505 56 39-01 - MAGNET
1x
8,38 €
11
Husqvarna 578 77 68-01 - KUGELGELENK
2x
8,89 €
11
Husqvarna 578 04 07-01 - GELENK
1x
11,25 €
11
Husqvarna 501 15 22-01 - Clamp assy
1x
1,38 €
11
Husqvarna 506 90 97-01 - FEDERSCHEIBE
1x
11,27 €
11
Husqvarna 722 79 54-02 - NIETE
6x
2,01 €
11
Husqvarna 544 23 92-01 - GEHÄUSE
1x
60,63 €
11
Husqvarna 525 56 33-03 - Riemenabdeckung
1x
33,11 €
11
Husqvarna Armlehne für Rider 300er-Serie
1x
99,99 €
11
Husqvarna 525 48 67-01 - RIEMENFÜHRUNG
1x
5,72 €
12
Husqvarna 734 11 64-01 - SCHEIBE
1x
4,90 €
12
Husqvarna 584 28 86-04 - SCHEIBE
1x
2,27 €
12
Husqvarna 506 98 82-01 - FRIKOPPLINGSSTÅNG
1x
9,88 €
12
Husqvarna 732 21 16-01 - LOCK NUT
2x
1,19 €
12
Husqvarna 535 48 44-01 - RIEMENSPANNER KPL.
1x
39,89 €
12
Husqvarna 588 92 75-01 - Feder
1x
9,73 €
12
Husqvarna 577 81 85-02 - Schutz
1x
68,35 €
12
Husqvarna 577 61 26-02 - Deckel
1x
29,02 €
12
Husqvarna 584 26 01-01 - TEPPICH
1x
9,06 €
12
Husqvarna 544 35 35-01 - Radkappe A
4x
7,59 €
12
Husqvarna 506 97 48-01 - RIEMENSCHEIBE
1x
53,63 €
13
Husqvarna 506 83 43-01 - FEDER
1x
2,98 €
13
Husqvarna 535 40 28-37 - DICHTUNG
2x
32,36 €
13
Husqvarna 725 24 64-51 - SCHRAUBE
1x
4,61 €
13
Husqvarna 506 57 01-05 - SCHRAUBE
1x
4,90 €
13
Husqvarna 535 48 50-01 - Dichtung
1x
9,51 €
13
Husqvarna 576 49 25-01 - RIEMENSCHEIBE
1x
61,01 €
13
Husqvarna 731 23 14-01 - SECHSKANTMUTTER
2x
1,18 €
13
Husqvarna 506 90 56-01 - RAD
2x
21,94 €
13
Husqvarna 506 59 74-01 - SCHRAUBE
2x
4,83 €
13
Husqvarna 577 61 26-01 - Deckel
1x
29,02 €
13
Husqvarna 525 56 24-01 - ABDECKUNG
1x
49,19 €
13
Husqvarna 506 82 68-02 - BUSHING
1x
12,53 €
14
Husqvarna 506 98 84-01 - RIEMENSPANNER KPL.
1x
75,90 €
14
Husqvarna 502 45 32-01 - SCHALTHEBEL
1x
39,20 €
14
Husqvarna 735 31 26-00 - SICHERUNGSRING
1x
0,57 €
14
Husqvarna 734 11 74-41 - SCHEIBE
1x
3,56 €
14
Husqvarna 522 43 08-01 - HALTER
1x
6,59 €
14
Husqvarna 582 87 19-01 - WELLE
1x
15,26 €
14
Husqvarna 523 11 45-01 - VERBINDUNGSSTANGE
1x
10,63 €
14
Husqvarna 506 83 94-01 - FEDERSCHEIBE
2x
2,19 €
14
Husqvarna 579 43 43-01 - ZÜNDSCHLOSS
1x
35,32 €
14
Husqvarna 574 85 62-01 - SCHRAUBE
2x
2,57 €
14
Husqvarna 576 97 34-01 - Folie
1x
7,20 €
14
Husqvarna 725 24 59-51 - SCHRAUBE
1x
4,83 €
15
Husqvarna 588 74 04-01 - RIEMENSPANNER
1x
14,27 €
15
Husqvarna 734 11 64-41 - SCHEIBE
1x
2,57 €
15
Husqvarna 725 23 64-61 - SCHRAUBE
4x
1,70 €
15
Husqvarna 586 90 46-01 - Bolzen
1x
4,77 €
15
Husqvarna 506 66 56-01 - FEDER
1x
11,38 €
15
Husqvarna 506 67 54-03 - SCHRAUBE
1x
4,26 €
15
Husqvarna 721 61 83-01 - SPANNHÜLSE
2x
0,51 €
15
Husqvarna 582 87 19-02 - WELLE
1x
15,79 €
15
Husqvarna 586 37 94-01 - Schlüssel
1x
0,83 €
15
Husqvarna 577 06 20-01 - Aufkleber
2x
12,91 €
15
Husqvarna 502 43 53-01 - SCHRAUBE
5x
1,12 €
16
Husqvarna 506 94 69-01 - RIEMENSCHEIBE
1x
35,32 €
16
Husqvarna 535 40 28-17 - HEBEL
1x
15,05 €
16
Husqvarna 506 52 24-01 - SEILROLLE
2x
9,19 €
16
Husqvarna 506 57 01-04 - SCHRAUBE
4x
3,81 €
16
Husqvarna 738 21 02-04 - KUGELLAGER
1x
6,30 €
16
Husqvarna 735 31 18-20 - FEDERRING
2x
4,90 €
16
Husqvarna 502 65 57-01 - Schalter
1x
35,84 €
16
Husqvarna 577 22 87-01 - BLECH
1x
15,86 €
17
Husqvarna 725 24 55-71 - SCHRAUBE
1x
3,02 €
17
Husqvarna 586 90 45-01 - Federstift
1x
3,56 €
17
Husqvarna 544 40 53-01 - RIEMENFÜHRUNG
1x
7,58 €
17
Husqvarna 506 53 94-04 - WELLE
1x
16,79 €
17
Husqvarna 535 47 52-12 - SCHRAUBE
2x
2,44 €
17
Husqvarna 535 47 48-01 - ANSCHLUSS
1x
37,94 €
17
Husqvarna 505 15 39-01 - RIEMENSCHEIBE
1x
72,64 €
18
Husqvarna 734 11 64-41 - SCHEIBE
1x
2,57 €
18
Husqvarna 535 40 28-33 - PIN RETAINING SCREW
1x
3,20 €
18
Husqvarna 586 32 04-01 - Schraube
1x
1,74 €
18
Husqvarna 735 31 14-20 - FEDERRING
2x
0,52 €
18
Husqvarna 506 55 47-01 - GELENK
1x
4,62 €
18
Husqvarna 738 21 04-04 - KUGELLAGER
1x
7,74 €
18
Husqvarna 579 31 49-01 - Wärmeableiter
1x
16,33 €
18
Husqvarna 544 43 98-01 - RELAIS
1x
14,41 €
18
Husqvarna 589 49 57-01 - Abdeckung
1x
20,68 €
19
Husqvarna 732 21 18-01 - LOCK NUT
1x
1,88 €
19
Husqvarna 725 23 64-61 - SCHRAUBE
2x
1,70 €
19
Husqvarna 535 40 28-38 - HEBEL
1x
16,10 €
19
Husqvarna 581 91 64-01 - WELLE
1x
20,91 €
19
Husqvarna 506 55 46-10 - KETTE
1x
19,00 €
19
Husqvarna 579 39 64-01 - Schlauchschutz
1x
8,85 €
19
Husqvarna 735 31 38-10 - SICHERUNGSRING
1x
4,90 €
20
Husqvarna 734 11 64-41 - SCHEIBE
1x
2,57 €
20
Husqvarna 535 40 28-39 - RETURN SPRING
1x
13,35 €
20
Husqvarna 506 67 54-02 - SCHRAUBE
1x
5,49 €
20
Husqvarna 506 55 47-01 - GELENK
2x
4,62 €
20
Husqvarna 578 20 75-01 - GEWINDESTIFT
4x
3,82 €
20
Husqvarna 576 18 39-01 - KABEL
1x
9,65 €
21
Husqvarna 535 40 28-40 - PIN RETAINING SCREW
1x
4,01 €
21
Husqvarna 501 60 48-04 - KABELSATZ
2x
19,43 €
21
Husqvarna 544 45 69-01 - VERBINDUNGSSTANGE
1x
6,93 €
21
Husqvarna 725 24 59-51 - SCHRAUBE
1x
4,83 €
22
Husqvarna 544 12 17-01 - HALTER
1x
6,62 €
22
Husqvarna 535 40 28-41 - PIN RETAINING SCREW
1x
3,30 €
22
Husqvarna 576 18 38-01 - KABEL
1x
13,23 €
22
Husqvarna 504 62 24-01 - FEDER
1x
9,39 €
23
Husqvarna 725 23 64-61 - SCHRAUBE
1x
1,70 €
23
Husqvarna 544 42 73-01 - KLAMMER
1x
34,12 €
23
Husqvarna 544 37 86-01 - GELENK
1x
7,10 €
23
Husqvarna 547 85 37-01 - BATTERIE
1x
95,64 €
23
Husqvarna 504 62 21-02 - EINSTELLHEBEL KPL.
1x
15,11 €
24
Husqvarna 506 67 33-01 - TANKDECKEL KPL.
1x
37,09 €
24
Husqvarna 544 37 33-02 - ROHRHALTER
1x
3,83 €
24
Husqvarna 735 31 14-20 - FEDERRING
1x
0,52 €
24
Husqvarna 522 62 21-01 - SCHRAUBE
2x
1,70 €
24
Husqvarna 505 45 17-01 - SCHEIBE
1x
10,79 €
25
Husqvarna 505 13 11-02 - SCHLAUCHSCHELLE
1x
6,38 €
25
Husqvarna 544 37 38-02 - ABDECKPLATTE
1x
4,51 €
25
Husqvarna 506 57 64-02 - KABELHALTER
1x
3,69 €
25
Husqvarna 544 44 88-01 - VERBINDUNGSSTANGE
1x
7,29 €
25
Husqvarna 522 62 43-01 - MUTTER
2x
1,93 €
25
Husqvarna 725 64 53-01 - SCHRAUBE
1x
0,89 €
26
Husqvarna 734 11 64-41 - SCHEIBE
1x
2,57 €
26
Husqvarna 506 57 01-07 - SCHRAUBE
1x
4,57 €
26
Husqvarna 506 56 65-01 - KLAMMER
1x
4,90 €
26
Husqvarna 506 83 68-02 - RIEMEN
1x
4,90 €
26
Husqvarna 535 48 48-01 - BUSHING
1x
29,98 €
27
Husqvarna 732 21 18-01 - LOCK NUT
1x
1,88 €
27
Husqvarna 535 43 73-04 - KUPPLUNG JIC-BSP 90°9/16-1/4ZO
1x
35,74 €
27
Husqvarna 544 81 17-01 - MUTTER
1x
2,30 €
27
Husqvarna 578 12 67-01 - Halter
1x
12,33 €
27
Husqvarna 544 93 42-01 - ANSCHLAGKETTE
1x
3,72 €
28
Husqvarna 535 42 68-05 - KUPPLUNG GERAD.JIC-BSP9/16-1/4
1x
14,79 €
28
Husqvarna 535 49 97-01 - ARM
1x
9,03 €
28
Husqvarna 506 96 66-01 - HAIR PIN COTTER
1x
4,90 €
29
Husqvarna 506 57 01-04 - SCHRAUBE
4x
3,81 €
30
Husqvarna 535 45 03-02 - HYDRAULIKSCHLAUCH
1x
45,23 €
30
Husqvarna 578 29 19-01 - HEBEL
1x
13,44 €
30
Husqvarna 587 08 09-01 - BEDIENER
1x
10,10 €
30
Husqvarna 506 89 58-01 - COLLAR SCREW
2x
6,82 €
31
Husqvarna 504 56 74-01 - Rohrkupplung
1x
18,99 €
31
Husqvarna 721 43 47-01 - FEDERSTIFT
1x
4,90 €
31
Husqvarna 732 25 22-01 - SICHERUNGSMUTTER
2x
4,53 €
32
Husqvarna 506 96 66-01 - HAIR PIN COTTER
1x
4,90 €
33
Husqvarna 535 49 28-02 - HALTER
1x
5,91 €
33
Husqvarna 506 83 76-01 - FEDER
2x
28,31 €
34
Husqvarna 578 26 17-01 - ZÜNDSCHLOSS
1x
25,97 €
34
Husqvarna 506 83 77-01 - RING BOLT
2x
8,63 €
35
Husqvarna 535 48 66-02 - GELENKKOPF
1x
7,62 €
35
Husqvarna 734 11 72-01 - Scheibe 3/8
2x
1,86 €
35
Husqvarna 544 44 23-01 - MUTTER
1x
1,18 €
36
Husqvarna 503 22 10-18 - SECHSKANTMUTTER
1x
4,90 €
36
Husqvarna 502 85 44-01 - Hydraulikrohr
1x
69,23 €
36
Husqvarna 544 44 24-01 - Schlüssel
1x
9,67 €
37
Husqvarna 535 48 65-03 - STANGE
1x
25,50 €
37
Husqvarna 535 43 73-01 - ROHRKUPPLUNG
1x
48,17 €
38
Husqvarna 731 23 16-01 - SECHSKANTMUTTER
1x
4,90 €
38
Husqvarna 575 95 96-01 - Hydraulikrohr
1x
63,80 €
39
Husqvarna 535 48 66-01 - GELENKKOPF
1x
7,72 €
39
Husqvarna 535 42 68-01 - SCHLAUCHKUPPLUNG
3x
14,34 €
40
Husqvarna 544 84 17-01 - SCHRAUBE
1x
4,90 €
40
Husqvarna 502 85 46-01 - Hydraulikrohr
1x
48,52 €
41
Husqvarna 725 23 70-71 - SCHRAUBE
1x
4,90 €
41
Husqvarna 580 65 33-01 - Filterkörper
1x
230,17 €
42
Husqvarna 725 24 62-51 - SCHRAUBE
2x
4,44 €
42
Husqvarna 732 21 16-01 - LOCK NUT
1x
1,19 €
43
Husqvarna 732 21 18-01 - LOCK NUT
2x
1,88 €
44
Husqvarna 506 95 17-01 - GELENKKOPF
2x
14,89 €
44
Husqvarna 544 37 33-03 - ROHRHALTER
2x
3,83 €
45
Husqvarna 732 21 18-01 - LOCK NUT
2x
1,88 €
45
Husqvarna 535 43 85-01 - DECKSCHEIBE
2x
4,12 €
46
Husqvarna 544 44 19-01 - GESTÄNGE
1x
12,29 €
46
Husqvarna 535 47 52-45 - SCHRAUBE EHHFM
1x
3,18 €
47
Husqvarna 732 21 16-01 - LOCK NUT
1x
1,19 €
47
Husqvarna 732 21 16-01 - LOCK NUT
1x
1,19 €
48
Husqvarna 725 24 93-71 - SCHRAUBE
2x
4,94 €
48
Husqvarna 725 23 78-61 - SCHRAUBE
1x
2,44 €
49
Husqvarna 725 23 66-51 - HEXAGONAL SCREW M6X12
2x
4,90 €
50
Husqvarna 574 51 51-01 - SATZ
1x
4,94 €
50
Husqvarna 732 21 16-01 - LOCK NUT
3x
1,19 €
50
Husqvarna 535 45 71-03 - Comfort Lenkung
1x
526,94 €
51
Husqvarna 574 51 52-01 - O-RING
1x
4,30 €
51
Husqvarna 544 80 80-01 - ROHR
2x
62,18 €
51
Husqvarna 535 42 78-01 - KUGELLAGER
1x
6,87 €
52
Husqvarna 586 66 68-01 - Ölfilter
1x
64,99 €
52
Husqvarna 544 80 79-01 - ROHR
2x
65,12 €
53
Husqvarna 535 42 68-06 - ROHRKUPPLUNG
2x
22,10 €
55
Husqvarna 578 04 78-01 - HALTER
1x
7,38 €
55
Husqvarna 738 21 04-04 - KUGELLAGER
1x
7,74 €
56
Husqvarna 725 23 68-61 - SCHRAUBE
1x
1,94 €
56
Husqvarna 578 15 09-01 - Lagerblock
1x
31,64 €
57
Husqvarna 735 31 22-00 - SICHERUNGSRING
1x
4,90 €
58
Husqvarna 575 64 54-01 - OELFILTER
1x
56,87 €

Husqvarna Rider (Aufsitzmäher)
Aufsitzmäher, die jeder Herausforderung gewachsen sind: Rider I Husqvarna Rasen

Produktbewertungen unserer Kunden
Unsere Bewertungen sind zu 100% echt.
Bewertungen von Kunden, die ihre Ware nicht bei uns gekauft haben, werden entsprechend gekennzeichnet.
Bewertungen mit diesem Symbol stammen von verifizierten Käufern!
Zu diesem Produkt gibt es noch keine Kundenbewertungen.
Sie können die erste Person sein, die zu diesem Produkt eine Bewertung schreibt.

Eine eigene Frage stellen
Frage: Hat Rider R 316 TXs AWD Servolenkung?
Antwort:

Der Rider R 316 TXs AWD ist mit folgenden Besonderheiten ausgestattet:https://www.gartengeraete-onlineshop.de/husqvarna-rider-r-316txs-awd

  • Zweizylinder-Motor

  • Allradantrieb

  • Hydrostat

  • Geräuschreduziert

  • Servolenkung

Frage: Welche Abmesungen
Antwort:

Wenn Sie die Maße des Husqvarna Riders meinen, dann sind das folgende:

Grundgerät, Länge 202 cm Grundgerät, Breite 89 cm Grundgerät, Höhe 115 cm Gewicht 248 kg

Gerne stehen wir Ihnen für weitere Rückfragen zur Verfügung