koempf24_de Logo
Unsere Seite verwendet Cookies und ähnliche Technologien, um die Benutzererfahrung auf unserer Website zu verbessern, Inhalte und Anzeigen zu personalisieren und die Nutzung unserer Website zu analysieren. Mit Ihrer Einwilligung stimmen Sie der Verwendung von Cookies sowie der Verarbeitung Ihrer persönlichen Daten zu, um Ihnen ein bestmögliches Surferlebnis und mehr Funktionen zu bieten.

Sie können Ihre Einwilligung jederzeit in den Cookie-Einstellungen anpassen oder widerrufen.
Experten-Beratung Lassen Sie sich von unseren Experten über das Kontaktformular beraten.
Artikelnummer: 4335726
Hier können Sie unsere qualifizierten Fachberater zur Planung Ihrer Bestellung kontaktieren.
Zum Kontaktformular
Hier erhalten Sie allgemeine Informationen zum Bestellprozess, der Lieferung, der Zahlung und mehr.
Zum FAQ
Hier können Sie Feedback zu dieser Seite abgeben oder unerwartete Inhalte und Auffälligkeiten melden.

Husqvarna Motorhacken 96091000203 CRT51

authorized.by
authorized.by
authorized.by Markenbild
TÜV Saarland ShopIdent
Zuletzt autorisiert: 14.12.2025

KÖMPF24 garantiert ausdrücklich die Originalität dieses Produktes.

KÖMPF24 ist durch diese Marke speziell für den Onlinevertrieb dieses Produktes autorisiert und ist vertrauenswürdiger Partner der Marke

Die Unternehmensangaben zur Identität des Shopanbieters KÖMPF24  wurden im Rahmen des TÜV Saarland ShopIdent Verfahrens zuletzt am 08.02.2022 überprüft.

Husqvarna Motorhacken 96091000203 CRT51

Nicht lieferbar
Dieser Artikel ist leider nicht mehr zu bestellen. Wir empfehlen Ihnen eine alternative Artikelwahl aus dieser Kategorie. Wir wünschen Ihnen viel Spaß beim Stöbern.
Andere Produkte der Kategorie Husqvarna Ersatzteilzeichnungen
Artikel-Nr.: 4335726
  • Deutschlands bester Händler
  • Trusted Shops Käuferschutz
  • Rechnungskauf
  • Montageservice

Husqvarna Logo

Husqvarna

Der schwedische Hersteller Husqvarna bietet Ihnen Motorgeräte für die Forst-, Garten- sowie Landschaftspflege. Bereits 1689 begann die Unternehmensgeschichte, damals noch mit der Herstellung von Musketen. Somit profitiert das Unternehmen von mehr als 325 Jahre langer Erfahrung – und somit auch seine Kunden.

Die Zufriedenheit der Kunden ist dem international bekannten Unternehmen besonders wichtig. Daher arbeitet Husqvarna eng mit dem Anwender zusammen, auch nach dem Kauf steht das Unternehmen seinen Käufern mit Rat und Tat zur Seite. Sie können sich bei den Husqvarna Produkten daher auf eine kompromisslose Qualität, Benutzerfreundlichkeit sowie Spitzenleistung verlassen.
 

Garantie

Als unser Kunde genießen Sie auch nach dem Kauf Ihres Husqvarna-Produkts zahlreiche Vorteile! Im Garantiefall sind wir Ihr erster Ansprechpartner und werden Ihnen gerne weiterhelfen. Wir verfügen über eine eigene Hersteller-Werkstatt, sind qualifiziert und berechtigt, im Garantiefall alle nötigen Reparaturen an Ihrem Husqvarna-Gerät durchzuführen.

Das bedeutet für Sie: Sie können sich jederzeit an uns wenden, als Ihr Händler bei dem Sie die Ware gekauft haben sind wir stets die erste Adresse. Selbstverständlich steht es Ihnen jedoch frei, sich an jeden anderen autorisierten Husqvarna-Händler zu wenden.

Gegen Vorlegen Ihres Kaufbeleges (inklusive ausgefüllter Garantiekarte) aus unserem Shop können Sie wohnortnah - in ganz Europa, in der Schweiz und in Großbritannien - Ihr registriertes Produkt zur Garantieüberprüfung vorlegen. Der lokale Husqvarna Servicehändler wird im Garantiefall defekte Teile ausschließlich durch original Husqvarna-Ersatzteile und Zubehör ersetzen. 

 

Husqvarna Händler mit Onlineshop 

Ausschließlich autorisierte, qualifizierte Händler dürfen Husqvarna Produkte verkaufen. So erhalten Sie als Kunde fachgerechte Auskunft zu Ihren Fragen. Wir sind ein autorisierter Husqvarna Fachhändler mit eigener Werkstatt. Vor jeder Auslieferung werden die Geräte entsprechend der Herstellervorgaben geprüft.

 

Stationärer Handel:
Kömpf Baumarkt GmbH
Leibnizstr. 2
75365 Calw

 

Husqvarna Geräte

Husqvarna AB
Regeringsgatan 28
11153 Stockholm
Schweden
verkauf@husqvarna.de
Verantwortliche Person:
Husqvarna Deutschland GmbH
Hans-Lorenser-Strasse 40
89079 Ulm
Deutschland
verkauf@husqvarna.de

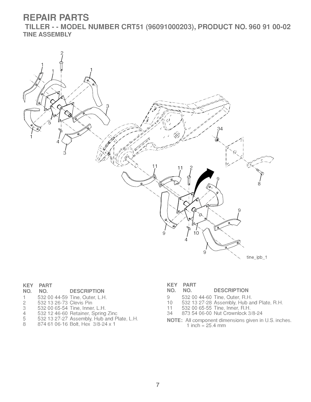
21 von insgesamt 21 eingezeichneten Ersatzteilen in Explosionszeichnung Nr. 1

1
Husqvarna 873 90 05-00 - MUTTER
1x
1,80 €
1
Husqvarna 532 18 90-18 - AUFKLEBER
1x
8,39 €
2
Husqvarna 532 16 57-87 - Griff
1x
8,95 €
2
Husqvarna 532 13 26-73 - Stift
1x
6,24 €
3
Husqvarna 532 18 90-19 - AUFKLEBER
1x
13,17 €
4
Husqvarna 532 18 08-27 - AUFKLEBER
1x
10,47 €
5
Husqvarna 532 00 13-70 - SCHEIBE
1x
3,13 €
7
Husqvarna 532 19 46-89 - AUFKLEBER
1x
3,51 €
11
Husqvarna 873 22 05-00 - MUTTER
1x
4,90 €
12
Husqvarna 532 12 68-75 - NIETE
1x
4,90 €
13
Husqvarna 872 11 05-10 - BOLZEN
1x
3,52 €
16
Husqvarna 872 11 06-08 - BOLZEN
1x
5,03 €
18
Husqvarna 872 04 04-10 - SCHRAUBE
1x
2,25 €
19
Husqvarna 812 00 00-28 - Federring
1x
4,90 €
24
Husqvarna 532 12 68-75 - NIETE
1x
4,90 €
33
Husqvarna 810 04 04-00 - SCHEIBE
1x
1,74 €
35
Husqvarna 872 11 05-05 - Bolzen
1x
4,90 €
37
Husqvarna 873 80 05-00 - MUTTER
1x
1,82 €
44
Husqvarna 873 80 05-00 - MUTTER
1x
1,82 €
51
Husqvarna 817 72 04-08 - SCHRAUBE
1x
1,67 €
52
Husqvarna 873 22 05-00 - MUTTER
1x
4,90 €

Produktbewertungen unserer Kunden
Unsere Bewertungen sind zu 100% echt.
Bewertungen von Kunden, die ihre Ware nicht bei uns gekauft haben, werden entsprechend gekennzeichnet.
Bewertungen mit diesem Symbol stammen von verifizierten Käufern!
Zu diesem Produkt gibt es noch keine Kundenbewertungen.
Sie können die erste Person sein, die zu diesem Produkt eine Bewertung schreibt.