koempf24_de Logo
Unsere Seite verwendet Cookies und ähnliche Technologien, um die Benutzererfahrung auf unserer Website zu verbessern, Inhalte und Anzeigen zu personalisieren und die Nutzung unserer Website zu analysieren. Mit Ihrer Einwilligung stimmen Sie der Verwendung von Cookies sowie der Verarbeitung Ihrer persönlichen Daten zu, um Ihnen ein bestmögliches Surferlebnis und mehr Funktionen zu bieten.

Sie können Ihre Einwilligung jederzeit in den Cookie-Einstellungen anpassen oder widerrufen.
Experten-Beratung Lassen Sie sich von unseren Experten über das Kontaktformular beraten.
Artikelnummer: 2884523
Hier finden Sie bereits beantwortete Fragen zu diesem Produkt oder können Ihre eigene Frage stellen.
Zu den Produktfragen
Hier können Sie unsere qualifizierten Fachberater zur Planung Ihrer Bestellung kontaktieren.
Zum Kontaktformular
Hier erhalten Sie allgemeine Informationen zum Bestellprozess, der Lieferung, der Zahlung und mehr.
Zum FAQ
Hier können Sie Feedback zu dieser Seite abgeben oder unerwartete Inhalte und Auffälligkeiten melden.

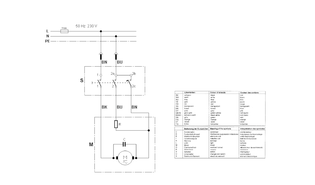
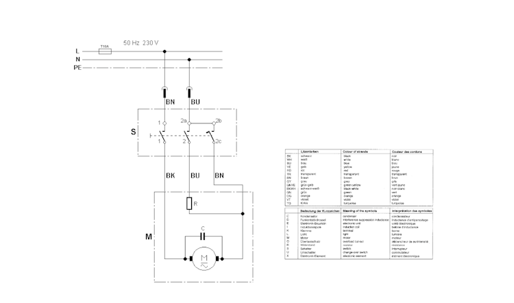
Metabo KGS 303 PLUS

authorized.by
authorized.by
authorized.by Markenbild
TÜV Saarland ShopIdent
Zuletzt autorisiert: 24.12.2025

KÖMPF24 garantiert ausdrücklich die Originalität dieses Produktes.

KÖMPF24 ist durch diese Marke speziell für den Onlinevertrieb dieses Produktes autorisiert und ist vertrauenswürdiger Partner der Marke

Die Unternehmensangaben zur Identität des Shopanbieters KÖMPF24  wurden im Rahmen des TÜV Saarland ShopIdent Verfahrens zuletzt am 08.02.2022 überprüft.

Metabo KGS 303 PLUS

Ersatzteilseite für Metabo KGS 303 PLUS


diese Artikelnummern sind zu dem Produkt bekannt:
  • 0103030000 10
  • 0103030000 11
  • 0103030000 12
  • 0103030000 13
  • 0103030000 14
  • Ersatzteilseite
Aktuell nicht lieferbar

Wir informieren Sie sofort per Mail, sobald der Artikel wieder an unserem Lager eingetroffen ist. Einfach Ihre E-Mail-Adresse angeben und schon gehören Sie zu den Ersten, die diesen Artikel bestellen können.

Andere Produkte der Kategorie Metabo Ersatzteilzeichnungen
Artikel-Nr.: 2884523
  • Deutschlands bester Händler
  • Trusted Shops Käuferschutz
  • Rechnungskauf
  • Montageservice

Metabowerke GmbH
Metabo-Allee 1
72622 Nürtingen
Deutschland
product-complianc@metabo.com

74 von insgesamt 74 eingezeichneten Ersatzteilen in Explosionszeichnung Nr. 1

2
Metabo RUECKHOLFEDER (7051679711)
1x
5,80 €
3
Metabo Gleitbuchse RDI 06 (F.3mm Blech) (7637651433)
1x
3,19 €
4
Metabo DREHBLECH KGS303 BL 2,50X45X179 (1382692043)
1x
26,49 €
5
Metabo SECHSKANTSCHRAUBE (6143124744)
2x
2,90 €
7
Metabo Senkblechschraube m.Krzsz (6174001900)
6x
2,90 €
8
Metabo Zylinderschraube (6121000839)
1x
11,30 €
9
Metabo Saegeblattkonterflansch (1482221900)
1x
26,49 €
11
Metabo Saegeblattflansch (1485221618)
1x
19,98 €
12
Metabo Rillenkugellager 626 -2Z (6x19x6) (7100047262)
3x
7,14 €
13
Metabo Zylinderschraube m.Innenskt. (6143075247)
3x
3,19 €
14
Metabo PENDELSCHUTZHAUBE KGS303 SEILZUGPRINZIP (1381691957)
1x
30,77 €
17
Metabo Linsenblechschraube (6172001830)
2x
2,90 €
18
Metabo O-Ring 4,00X2,50 80 Shore A (7632609080)
1x
3,64 €
19
Metabo STAHLKUGEL (7123716854)
1x
3,19 €
23
Metabo Zylinderschraube mit Innen-6KT M 6x16 (6122151520)
4x
3,19 €
25
Metabo Gleitbuchse 12x14x15 (mit Bund) (7637685800)
2x
4,80 €
26
Metabo Keilrippenriemen (7233680626)
1x
19,77 €
29
Metabo Linsenblechschraube (6172001791)
1x
2,90 €
29
Metabo Linsenblechschraube (141116840)
1x
2,90 €
31
Metabo Gewindestift m.Innenskt. (6164029245)
3x
2,90 €
33
Metabo O-Ring 4,0X1,0 (1327064092)
1x
5,08 €
36
Metabo Linsenblechschraube (6172028215)
2x
2,90 €
38
Metabo Rillenkugellager 6203-2RS1 (17x40x12) (7100017703)
1x
17,71 €
39
Metabo Saegeblattwelle 20HTD5M15 RD31x57,5 (1385680593)
1x
71,56 €
40
Metabo Zahnriemen (7231680580)
1x
30,77 €
41
Metabo Scheibe (1482680670)
1x
2,90 €
42
Metabo Scheibe (141150110)
3x
2,90 €
43
Metabo Rillenkugellager (7100136915)
1x
13,90 €
44
Metabo Sicherungsring (141180090)
1x
3,19 €
46
Metabo Spindelarretierung (1482681839)
1x
13,90 €
48
Metabo Sicherungsring (141180020)
1x
2,90 €
49
Metabo Linsenblechschraube (6186602763)
4x
2,90 €
50
Metabo Handgriff KGS303 (1381679680)
1x
22,04 €
52
Metabo Zugfeder (7051074232)
2x
3,19 €
56
Metabo Scheibe (141150050)
1x
2,90 €
61
Metabo Sechskantmutter m.Klemmt. (141130650)
2x
3,19 €
62
Metabo Zylinderschraube (141113870)
6x
3,19 €
67
Metabo Einsteckpuffer (2391203906)
1x
2,90 €
70
Metabo Stahlkugel (7123148635)
2x
2,90 €
71
Metabo ARRETIERBOLZEN (1485215979)
2x
7,14 €
72
Metabo DRUCKFEDER RDA=8,5 LO25,6 (7051683751)
2x
7,14 €
73
Metabo TISCHEINLAGE KGS303 (1381679949)
1x
9,94 €
74
Metabo Absaugstutzen 44/35-44/32 (1381691566)
1x
8,65 €
75
Metabo Zylinderschraube m. I-6KT M8x35 (6143076260)
2x
4,37 €
76
Metabo PASSSCHEIBE 8X14X1 (6306017266)
2x
2,90 €
77
Metabo Klemmhebel (7006028220)
1x
22,04 €
78
Metabo SCHEIBE (6305002508)
1x
2,90 €
79
Metabo ZYLINDERSCHRAUBE (6121121296)
2x
2,90 €
80
Metabo HUTMUTTER SELBSTSICHERND (6208073395)
1x
2,90 €
81
Metabo SCHEIBE (6300686603)
1x
2,90 €
83
Metabo Justierblech-Kipparm KGS303 BL3,00 (1482683769)
1x
47,66 €
84
Metabo Gummifuss RD30x17,5 80 Shore (7057208753)
4x
3,19 €
85
Metabo Sechskantmutter (141130100)
4x
2,90 €
88
Metabo JUSTIERBLECH-DREHTISCH KGS303 BL2,00 (1482683505)
1x
14,99 €
90
Metabo Tellerfeder (141150540)
1x
2,90 €
91
Metabo Sechskantmutter selbstsichernd (141132030)
1x
2,90 €
92
Metabo SECHSKANTMUTTER FLACH M8 (6205029131)
1x
2,90 €
94
Metabo Sechskantmutter selbstsichernd (6202024139)
1x
2,90 €
95
Metabo SECHSKANTSCHRAUBE M 8X85 (6103122986)
1x
3,19 €
96
Metabo Drehzeiger KGS303 BL 2,00X12X46 (1482681979)
1x
11,30 €
97
Metabo DRUCKFEDER RDA=8,5 LO=17,7 (7051683611)
1x
2,90 €
99
Metabo Kippzeiger KGS303 BL 1,50x10x21,5 (1482681987)
1x
3,19 €
100
Metabo DREHTELLERBOLZEN KGS303 RD 16/M10X63 (1385682006)
1x
31,87 €
102
Metabo KLEMMSTANGE RD 8X185,5 (1385682014)
1x
5,80 €
103
Metabo Scheibe KGS 303 RDA44XRDI9X4 (1485683840)
1x
7,14 €
104
Metabo Gewindestift M.IS+KEGELK. (141124460)
1x
2,90 €
105
Metabo SECHSKANTSCHRAUBE M 8X50 (6103001216)
1x
2,90 €
105
Metabo Kunststoffgriff rot (1388698264)
1x
10,00 €
106
Metabo KLEMMBLECH KGS303 BL 2,00X35X68,5 (1482682029)
1x
4,37 €
107
Metabo Kipplagerbolzen KGS303 RD 16,3/M12x122 (1385681999)
1x
19,98 €
111
Metabo FEINDRAHTSEIL RD 1,2X286,5 (7238692053)
1x
71,01 €
113
Metabo Gummipuffer 18x21 (7056691507)
1x
8,65 €
115
Metabo Sperrblech mit Lager KGS 303 (1010692012)
1x
30,77 €
120
Metabo KOHLEBUERSTE KGS303-230V 29X11X6 (1388691138)
2x
17,57 €

Produktbewertungen unserer Kunden
Unsere Bewertungen sind zu 100% echt.
Bewertungen von Kunden, die ihre Ware nicht bei uns gekauft haben, werden entsprechend gekennzeichnet.
Bewertungen mit diesem Symbol stammen von verifizierten Käufern!
Zu diesem Produkt gibt es noch keine Kundenbewertungen.
Sie können die erste Person sein, die zu diesem Produkt eine Bewertung schreibt.

Sie können der erste Kunde sein, der zu diesem Produkt eine Frage stellt. Wir freuen uns auf Ihre Frage.

Wenn Sie Fragen zu Ihrer Bestellung oder zur Verfügbarkeit des Artikels haben, schreib Sie uns über das Kontaktformular.